Руководство по обслуживанию и ремонту Honda Accord
8 поколения

Honda Accord

  • Общая информация
  • Спецификация
  • График техобслуживания
  • Двигатель
  • Топливо и система снижения токсичности
  • Трансмиссия
  • Рулевое управление
  • Подвеска
  • Тормозная система
  • HVAC (Система отопителя, вентилятора, кондиционера)
  • Кузов
  • Средства безопасности
  • Поиск неисправностей DTC
  • Схемы электропроводки

  • Проверка муфты сцепления компрессора кондиционера

    Применимость для следующих годов выпуска и кузовов: 2009, CU1, CU2

    1. Проверьте, не изменился ли цвет диска муфты и нет ли на нем деформации или других повреждений. Если есть повреждение, то замените блок муфты сцепления.
    1. Вращая шкив привода рукой, проверьте, имеется ли люфт подшипника и свободно ли он вращается. Замените блок муфту при обнаружении шума в подшипнике, чрезмерного люфта или сопротивления вращению.

    1. Измерьте зазор по всей окружности между шкивом (А) и диском (В) муфты. Если зазор не соответствует рекомендованной величине, снимите диск муфты и добавьте или снимите лишние регулировочные шайбы, чтобы увеличить или уменьшить зазор.
      Зазор:
      0,35-0,65 мм

      ПРИМЕЧАНИЕ: Регулировочные шайбы могут быть четырех размеров по толщине: 0,1 мм, 0,2 мм, 0,4 мм, и 0,5 мм.

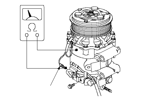
    1. Модель двигателя R20A3: Проверьте неразрывность цепи между разъемами № 1 и № 3 муфты компрессора кондиционера воздуха Если нет соединения, замените устройство тепловой защиты.
      ПРИМЕЧАНИЕ: Цепь устройства тепловой защиты разрывается при нагреве до 122 - 128°С. При понижении температуры до 116 - 104° С цепь устройства тепловой защиты восстанавливается.

    1. Модель двигателя K24Z3: Проверьте неразрывность цепи между разъемами № 1 и № 3 муфты компрессора кондиционера воздуха Если нет соединения, замените устройство тепловой защиты.
      ПРИМЕЧАНИЕ: Цепь устройства тепловой защиты разрывается при нагреве до 122 - 128°С. При понижении температуры до 116 - 104° С цепь устройства тепловой защиты восстанавливается.

    1. Разъедините разъем (А) катушки муфты. Измерьте сопротивление катушки муфты. Если сопротивление не соответствует норме, замените катушку муфты.
      Сопротивление катушки муфты:
      3,15-3,45 Ω 20 °C